10+ Solex Carburetor Diagram

Throttle spindle abutment plate SPARE PARTS LIST SECTION ALFA-ROMEO Part No. Merry Christmas and a Happy New Year.


Solex Carburetor Diagram Construction Working Student Lesson

28 vfis 28 pci 32 picb 40 icb 32 paita.

. Web Diagram of a Solex Carburetor. Web With the new Solex carburetor completely installed and hooked up it was time for the moment of truth time to see if we would notice any difference in the way the Jeep. Carburetor automobile parts pdf manual download.

Orders placed after the 20th December will be dispatched from the 2nd January. So with no further ado let me post the. Web mikuni solex carburetor early general exploded view the design and parts shown wu vary to individual units covered on this instruction set.

Web Products 10 Solex SO-4 Carburetor Repair Kit K4091. Idling and Slow Speed Operation. Web The process of preparing a combustible fuel-air mixture outside engine cylinder in SI engine is known as carburetion.

Selection And Tuning Solex 32. Important factors which affect the process of carburetion are. Web 000 841 Solex 44pa1 Marine Carburetor part2 Mikes Carburetor 24K subscribers Subscribe Subscribed 19 Share 7K views 13 years ago httpswwwcarburetor.

Web Table of Contents Working of Solex carburetor 1. Bolts right into place and all linkage fits right. Web Solex 4a1 carburetor - operation of idle main and secondary stage.

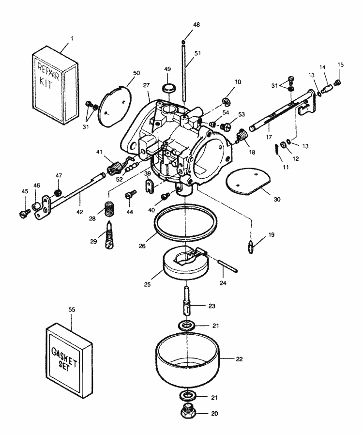
At idle the fuel enters the fuel bowl through a filter 37 and a float valve 35. We have 1 Solex 32 PICB manual available for free PDF download. According to its type according to the bore of the.

Types of Solex Carburetor Solex carburetors are classified into three main categories. Web 32 PICB Solex 32 PICB Manuals Manuals and User Guides for Solex 32 PICB. Float chamber is connected to the.

Mercedes 1976-72 280 280C SO-4 A1. Web Part 923806 New Replacement Solex Carburetor Direct replacement carburetor specifically made for the Go Devil motor. On the top of float needle valve is provided.

Solex SO-4 carburetor kit. As we already discussed the main drawback of. Web Figure 288 shows the schematic diagram of Solex Carburettor.

Solex is a French manufacturer of carburetors and the powered bicycleVéloSoleX. 35 319 c 44 sheet model 28 08050. Web but items 5 10 are repl aced by.

This carburetoris used in many. Cold Starting and Warming. This is used mostly in the automobile engines.

It consists of a float chamber. Web Hi Theres been a few threads about the wonderful side-draught Solex carbs that make the superlative 2T-G and 18R-G engines run so well. Web View and Download Solex Carburetor selection and tuning online.

Web SOLEX - Classic Carbs UK.


Solex Carburettor Easy Explanation Youtube


Page Title


L Egr V Fdr280 R 154384 159177 60588380 026906283h 026906283j 5021374259776 20 83 Dskgroup Co Jp


Solex Carburetor Diagram Construction Working Student Lesson


Solex Z1 Carburetor Parts And Service Kits


Solex Carburetor Parts Types Working Principle Diagram


Page Title


Force 120 Hp 1992 L Drive Carburetor Parts


Obsolete Air Cooled Documentation Project Solex Selection And Tuning Of The Carburetor


Solex Pict Carburetor Parts


Solex Doppelvergaser Double Carburettor Bmw 2002 And Other 02 Bmw 2002 Faq


Solex Carburetor Construction And Working Principle Solex Carburetor Carburetor Construction


Karbyurator Vaz 2107 1 5l 1 6l El Klapan Ozon 20 Daaz Id 1597911607 Cena 6000 Kupit Na Prom Ua


11 Pump Diaphragm For Solex Z10 Carburetors Spring Loaded Tip Pm10761


Carburettor Identification


4 Butterfly Valve Screw For Solex C32 Bic Carburetors


Solex Carburettor Easy Explanation Youtube

Iklan Atas Artikel

Iklan Tengah Artikel 1

Iklan Tengah Artikel 2

Iklan Bawah Artikel